今天是:
螺旋输送机
给料机械
提升机械
埋刮板机
混合机
  产品展示 网站首页 >> 产品展示
[ 给料机系列 ]
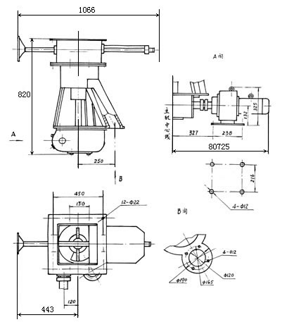
J322型叶轮给料机 
给粉量t/h
0.2-2
0.4-4
0.6-6
叶轮直径mm
Φ290
叶轮转速转/分
3-32
6-23
9-95
输入功率kw
1.1

 
 
版权所有:启东天地机械制造有限公司      地址:江苏省启东市和平南路105号  电话:0513-83312668 83354737 83312781  传真:0513-83312649